Studia wykonalności i ewaluacja ofert

Studia wykonalności i ewaluacja ofert

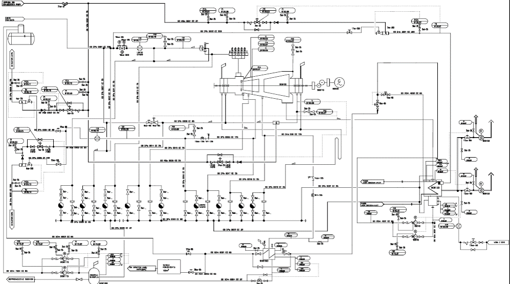
Zakres działalności obejmuje energetykę zawodową oraz przemysł. W ramach studiów i analiz nad przedsięwzięciami oceniamy możliwość wykonania inwestycji od strony technicznej wraz z zbudowaniem podstawowych warunków funkcjonowania które uzgadniamy ze zleceniodawcą.

W kolejnym etapie koordynujemy akcje ofertowe, rozpoznanie rynku, projekty wstępne aż do fazy wykonawczej. Stałym elementem działania Naszej Firmy jest międzynarodowa współpraca z klientami i dostawcami.

  • Studia wykonalności zadania
  • Proces ofertowy oraz rozpoznanie rynku dostaw
  • Analizy wykonalności zadania
  • Koncepcje modernizacji elektrowni i elektrociepłowni
  • Bilanse cieplne na potrzeby modernizacji
  • Projekty wstępne i ofertowe gotowych rozwiązań
  • Projekty podstawowe (Basic design)
skontaktuj się z nami

W celu zapewnienia najwyższej jakości naszych usług stale doskonalimy swoje umiejętności sięgając po najnowocześniejsze narzędzia z dziedziny oprogramowania. W obecnej chwili wykorzystujemy między innymi:

Do projektowania:

  • SolidWorks , AutoPLANT, OpenPlant, PDMS, Robot, ProSteel, AutoPIPE, MathCAD, TRIFLEX, WiseImage ,AutoCAD Mechanical i inne

Do zarzadzania projektami:

  • Primavera, MS Project

Oraz niekomercyjne programy stworzone dla naszych potrzeb.

Posiadamy także profesjonalną obsługę oraz sprzęt do skanów i wydruków wielkoformatowych.